Aluminum Frame - 008


Finishes Available:
Satin Aluminum
Stainless Steel Finish
White Powder Coat
Black Powder Coat
Projects featuring this door
Technical Specifications
DESIGN GUIDELINES
Maximum width & height = 96” (2438mm)
Minimum width & height = 5.5” (139.7mm)
Maximum square footage = 16 sf
NOT recommended for drawer fronts
Contact Cory Manufacturing for dimensions exceeding recommended maximums
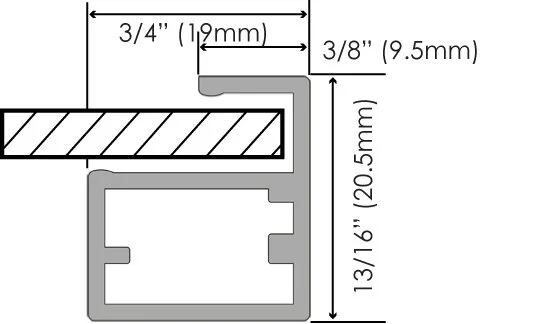
FRAME SPECIFICATIONS:
3/8” (9.5mm) Frame Width Visible
3/4” (19mm) Frame Width Behind Glass
13/16” (20.5mm) Frame Thickness
INSERT SPECIFICATIONS:
4mm (.156”) with flat edge polish
Can fit 6mm (.236”) inserts with special gasket
Handle hole locations must be specified at time of order if insert is tempered glass
Further Reading
Not exactly what you’re looking for?